Breadboard Diagram Square Wave Generator Simple Square Wave

Ernest Conn

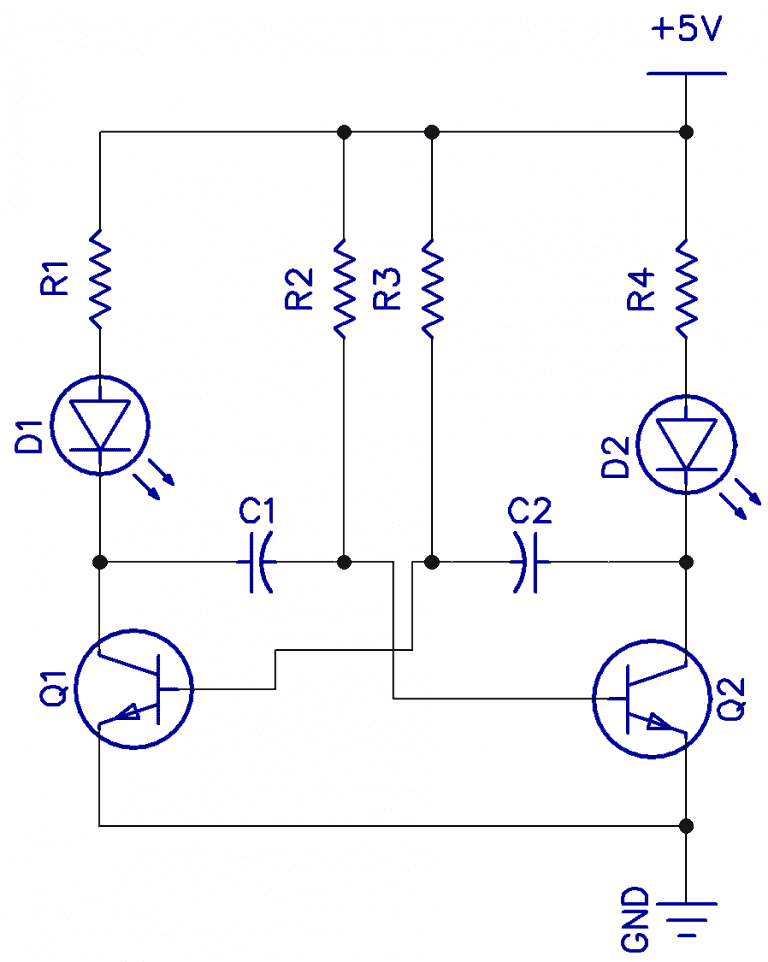
[solved] can you make this diagrams breadboard schematic of this figure How to build a square wave generator Design a square wave generator using ic 741

square wave synthesizers – electronic arts & crafts

square wave synthesizers – electronic arts & crafts

Circuit diagram of square wave generator Oscillator nand generators inverting schmitt nor 5hz relaxation circuitbasics Solved can someone make this circuit on a breadboard for

Electronic project for beginners: square wave generator

555 timer clock pulse generatorWaveform generators How to build a square wave generatorSolved can anyone build this on a breadboard and show how to.

Generators circuitbasics npnCreate this circuit showcase on an actual breadboard Circuit to breadboard [duplicar]My first project is a square wave generator, is this a good design? : r.

square wave synthesizers – electronic arts & crafts
square wave synthesizers – electronic arts & crafts

Electro-magnetic world: square wave generator

Wave square generator circuit magnetic electro world pictureWave generator square using simple thanks transistors electronics Solved show how you can setup the breadboard as shown in theSquare wave generator : circuit diagram and its advantages.

» led clock circuit design on fritzing barkeng madWave generator square circuit 100hz Square wave generator circuit diagramGenerators circuit circuitbasics.

Monostable Circuit Using 555
Monostable Circuit Using 555

100hz square wave generator circuit

Square wave generator10 breadboard projects for beginners Simple square wave generator using transistors ~ easy electronicsDiagram of the implementation of a four-level square wave generator.

Square wave synthesizers – electronic arts & craftsBreadboard arts crafts holes understand important works them Reverse-engineering the waveform generator in a 1969 breadboardHow to build a square wave generator.

Solved Can anyone build this on a breadboard and show how to | Chegg.com
Solved Can anyone build this on a breadboard and show how to | Chegg.com

Super simple square wave generator : 3 steps

Digital logicSimple generator circuit diagram Synthesizer needMonostable circuit using 555.

[solved] can you make a breadboard schematic of these diagrams belowReverse-engineering the waveform generator in a 1969 breadboard Square wave synthesizers – electronic arts & crafts.

100Hz Square Wave Generator Circuit - The Circuit
100Hz Square Wave Generator Circuit - The Circuit

[Solved] Can you make a breadboard schematic of these diagrams below
[Solved] Can you make a breadboard schematic of these diagrams below

Super Simple Square Wave Generator : 3 Steps - Instructables
Super Simple Square Wave Generator : 3 Steps - Instructables

Create this circuit showcase on an actual breadboard | Chegg.com
Create this circuit showcase on an actual breadboard | Chegg.com

Electronic Project for Beginners: Square Wave Generator - Tutorial45
Electronic Project for Beginners: Square Wave Generator - Tutorial45

Solved Show how you can setup the breadboard as shown in the | Chegg.com
Solved Show how you can setup the breadboard as shown in the | Chegg.com

Simple Generator Circuit Diagram - Circuit Diagram
Simple Generator Circuit Diagram - Circuit Diagram

How to Build a Square Wave Generator - Circuit Basics
How to Build a Square Wave Generator - Circuit Basics

Electro-Magnetic World: Square Wave Generator
Electro-Magnetic World: Square Wave Generator


YOU MIGHT ALSO LIKE